Электродвигатель тихоходный для льдогенератора CONVITO (50KTYZ, AZ50/13 двигатель контейнера)
Характеристики:
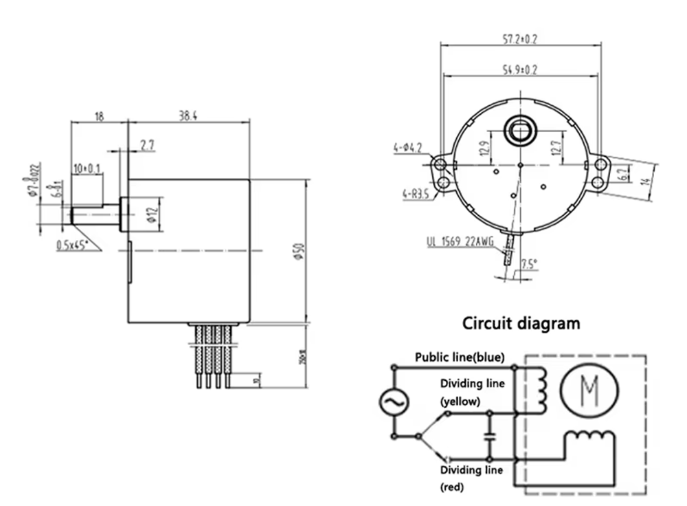
производитель DEXUN
тип 50KTYZ
мощность 6 Вт
напряжение 220-240 В
род напряжения переменный ток
частота 50/60 Гц
частота вращения 1/1,2 об/мин
диаметр вала 7 мм
Подходит для моделей:
Bartscher
Saro
Convito
Viatto

