ОПИСАНИЕ:
Микровыключатель для ручных импульсных запайщиков HUALIAN серии FS: FS-200/200C, FS-300/300B/300C/300M, FS-400/400C, FS-500/500C. При опускании рычага запайщика концевик (микровыключатель) замыкает цепь и включается цикл запайки.
Характеристики:
Схема переключения: ON-(ON)
Номинальное напряжение: 250 (125) В
Номинальный ток: 5 А
Контактное сопротивление, не более: 30 мОм
Сопротивление изоляции, не менее: 100 (500 В, 1 мин.) МОм
Диэлектрическая прочность: 1500 (50 Гц, 1 мин.)
Количество циклов коммутации (электро), не менее: 100000
Диапазон рабочих температур: -25…+80 °С
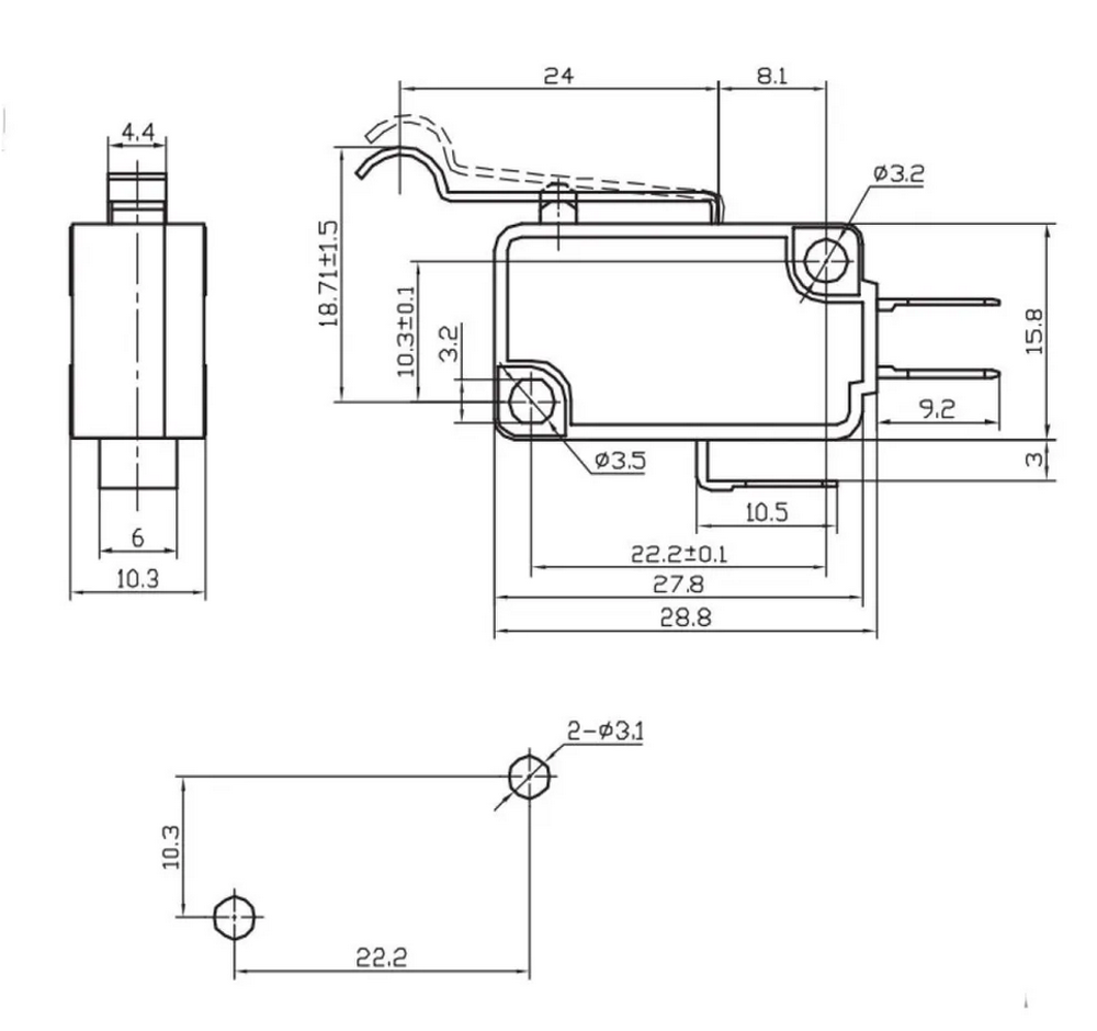
Длина: планки -24 мм
Высота: 15,8 (корпус) мм
Ширина: 10,3 мм
Глубина: 28,8 (корпус) мм
Микропереключатели KW, MSW – переключатели миниатюрные однополюсные, коммутируют цепи сигнализации, питания и управления с напряжением до 250В, силой тока до 5А и коммутируемой мощностью до 1,25кВт.
Контактная группа микропереключателей выполняет функцию включения одного-, двух, направлений, или переключения с одного направления цепи на другое. Основной особенностью микропереключателей является различные вариации исполнительного механизма - рычага. Микропереключатели крепятся путём фиксации в отверстиях на панели с помощью винтового соединения. Монтаж выводов – на печатную плату или под пайку. Степень защиты – IP40.
